MPT Consoles Q80

thermisch verzinkt

Toon varianten als lijst

Profiel:

Q80-2,0

Lengte L [mm]:

500 750 1.000
Selecteer een variant voor meer informatie, afbeeldingen en documenten.

Toepassing

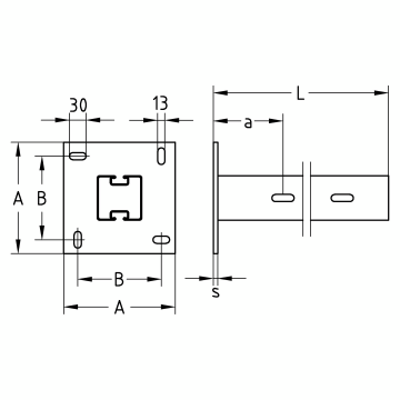
  • Consoles voor de bevestinging van leidingen en aggregaten in de industrie- en installatiebouw bij bevestigingen aan vloer, wand en plafond

Uw voordelen

  • Stabiele geperforeerde grondplaat voor de directe of indirecte bevestiging aan het bouwwerk
  • Uitstekende corrosiebescherming door normgericht thermisch verzinken zorgt voor een flexibele inzet binnen en buiten
  • Snelle bevestiging van aanbouwdelen door bevestigingssleuf aan weerszijden
  • Universeel ook als steun vanaf de vloer of als steel vanaf het plafond inzetbaar
  • Mooi optisch beeld door de toepassing van MPT-afsluitkappen
Railsystemen
voor MPT-profielen
Producttype
Consolen
Materiaal
Staal
Oppervlakte
thermisch verzinkt
eCl@ss 7.1
23-36-01-90
eCl@ss 11.1
23-36-02-90
Meer technische details zijn te vinden in het gegevensblad.