Art.-Nr.: 156730
Profil: 38/80/2,0
Länge L [mm]: 800
Oberfläche: verzinkt
Abgabeeinheit: 1 Stück
Gewicht/ME: 3,880 kg
Stück

Anwendung

  • Ideal geeignet als auskragende Tragkonstruktion für Rohrtrassen
  • Einsetzbar als Kragträger zur Aufnahme von Lüftungskanälen und Kabelpritschen
  • In Kombination mit MPC-Sattel- und MPC-Stirnflansch einsetzbar als Traverse zur Rohrbefestigung in Schächten und Kanälen
  • Stabile Wandkonsole für Armaturen und Geräte
  • Profil 38/80 ideal verwendbar für die beidseitige Montage von Rohrsträngen durch doppelten Schienenschlitz

Ihre Vorteile

  • Belastbare Konstruktion durch stabile Grundplatte
  • Die Anordnung der Langlöcher „quer und längs“ in der Grundplatte ermöglicht die gute Höhenausrichtung der Konsole
  • Gute Anpassung an bauliche Anforderungen durch abgestufte Längen
  • Sauberes optisches Bild durch die Verwendung von MPC-Abschlusskappen
Kurzbeschreibung
MPC-Schienenkonsole 38/80, Länge: 800 mm, verzinkt
Schienensysteme
für MPC-Profile
Produkttyp
Konsolen
Profil
38/80/2,0
Material
Stahl
Oberfläche
verzinkt
Länge L [mm]
800
eCl@ss 7.1
23-15-91-90
eCl@ss 11.1
23-36-01-90
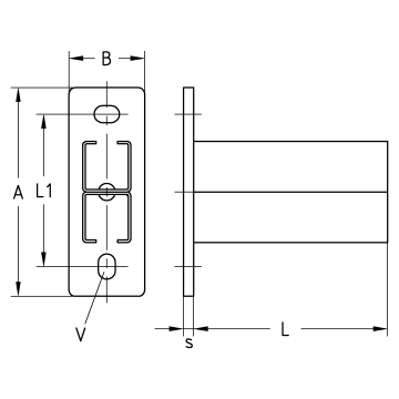
Maß B
60 mm
Maß A
165 mm
Maß L1
120 mm
Maß s
8 mm
Maß V
13,5 x 20 mm
Zolltarifnummer
83025000
Weitere technische Details finden Sie im Datenblatt.