Wählen Sie einzelne Varianten für weitere Informationen, Bilder und Dokumente.

Anwendung

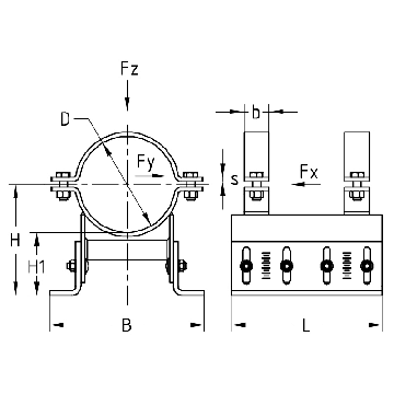
  • Für die Befestigung von Rohrleitungen in der schweren Haustechnik, im Industrie- und Anlagenbau
  • Zur Befestigung von Rohrleitungen mit Gefälle oder konstanter Centerline
  • Ausführung als Rohrschlitten für große Nennweiten ab DN 200

Ihre Vorteile

  • Individuelle Einstellung des Abstandes der Rohrschelle von der Unterkonstruktion auf der Baustelle
  • Ausgleich von Höhentoleranzen und Unebenheiten der Unterkonstruktion
  • Neigungsverstellung Rohrachse bis max. 5°
  • Feuerverzinkt für Einsatz im Außenbereich geeignet
Produkttyp
Rohrschlitten
eCl@ss 7.1
23-35-01-90
eCl@ss 11.1
23-35-01-90
Weitere technische Details finden Sie im Datenblatt.