Schwingungsdämpfer

Schwingungsdämpfer mit zylindrischer Kontur, 50 x 30 mm, Typ A, beidseitiges Aussengewinde, M10 x 28 mm, verzinkt

Varianten als Liste anzeigen
Art.-Nr.: 156630
Ausführung: mit beidseitigem Außengewinde
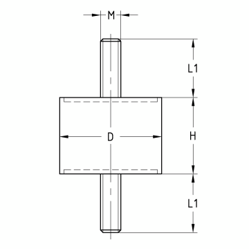
Gewinde: M10
Höhe H: 30 mm
Abgabeeinheit: 1 Stück
Gewicht/ME: 0,160 kg
Stück

Anwendung

  • Für eine schwingungsgedämpfte Aufstellung in vielen Anwendungsbereichen

Ihre Vorteile

  • Puffer mit zylindrischer Kontur und wahlweise beidseitigem Außengewinde oder Außen- und Innengewinde
  • Dämpfer in M8 oder M10 verfügbar
  • Elastische Lagerung von Maschinen, Aggregaten, Pumpen, etc.
  • Durch die Isolierung von Vibrationen wird die Lebensdauer der Geräte und Motoren verlängert
Kurzbeschreibung
Schwingungsdämpfer mit zylindrischer Kontur, 50 x 30 mm, Typ A, beidseitiges Aussengewinde, M10 x 28 mm, verzinkt
Ausführung
mit beidseitigem Außengewinde
Gewindelänge L1
28 mm
Gewinde
M10
Material
Naturkautschuk
Oberfläche
verzinkt
eCl@ss 7.1
23-18-90-90
Höhe H
30 mm
Durchmesser D
50 mm
eCl@ss 11.1
23-18-90-90
Max. empfohlene Belastung
2.020 N
Shore-A Härte
57° (mittel)
Zolltarifnummer
40169991
Weitere technische Details finden Sie im Datenblatt.